Innováció
KVA Kft.
8900 Zalaegerszeg, Rákóczi u. 45.
+36 (92) 510-239
kvakft@kvakft.hu
Automatizálás, szabályzás, hajtástechnika, vezérlés. Technológiák automatizálása a tervezéstől a komplett kivitelezésig. Tevékenységünk kiterjed a felhasználói igények pontos felmérésére, behatárolására, amelynek tekintetében törekszünk a lehető legoptimálisabb megoldás kiválasztására.
Cégünk sokirányú tevékenységei közé bekerült a megújuló energiaforrások egy speciális területe
Vezérléstechnikai szaküzlet és bemutató termünkben, nem csak kereskedelmi, hanem szaktanácsadási tevékenységet is végzünk. Ugyanitt megtekinthetők az általunk forgalmazott termékek alkalmazási módja is.

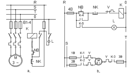
Cégünk a komplex szolgáltatások keretein belül energia átviteli, vezérlési, irányítástechnikai tervezéseket is végez.
Tervezői tevékenységek: Egyvonalas rajzok, áramút tervek (vezérlési rajzok), sorkapocs kiosztási tervek

A KVA Kft. 2001 óta segíti a bűn megelőzését, kiváló műszaki színvonalat képviselő termékekkel és szolgáltatásokkal. Magas felkészültségű szakembereink foglalkoznak ilyen rendszerek tervezésével, telepítésével.

Kiváló referenciákkal rendelkezünk családi házak, társasházak, iroda épületek és gyártó csarnokok villanyszerelési munkáira.